Part Number: TPS65219-Q1
We used a watchdog to control the PMIC's EN pin for power cycling and found that our board fails to reboot (about 1% of the time) because the PMIC does not power cycle.
Consider the following:
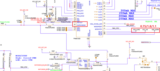
- The watchdog outputs a 200ms low signal to the PMIC EN pin every 7 seconds (we set the watchdog to feed every 7 seconds), and the watchdog status appears normal.
- The DC-DC outputs of 0.75/1.8/1.1V remain stable, regardless of whether the PMIC EN pin is pulled low or not.
- The nRSTOUT continuously outputs a high signal, regardless of whether the PMIC EN pin is pulled low or not.
- The mode/reset pin remains low, regardless of the PMIC EN pin state.
We suspect a PMIC failure, as the EN pin can no longer control the PMIC for power cycling. We need TI to advise on any further tests or analyses we should conduct.
