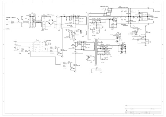
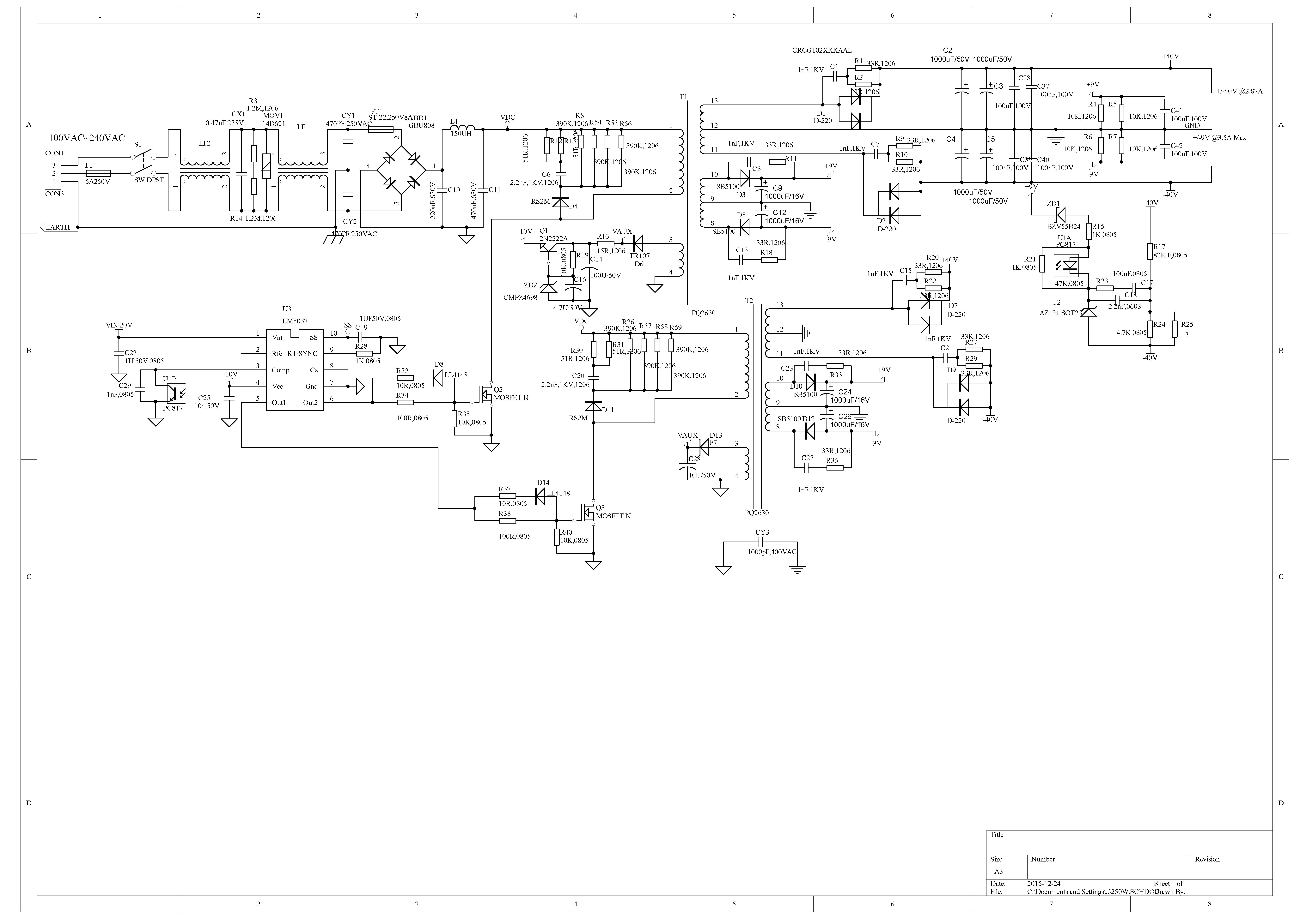
基本情况:
做一款交错单级PFC产品,持续功率100W+,峰值功率250W+,功放电源
输入100-240V,输出+-40V,+-9V,4路
目前问题,带载烧MOS
波形,这是带轻载的波形
黄色驱动,蓝色VDS波形。
从单个驱动波形上升和下降沿来看,没看什么异常
从下面那张波形看,IC在每个馒头波中间段,驱动输出是没有的。
只带到260mA电流,约十多瓦。
再上去不称定,输入功率有波动(输出稳定),带重载直接烧MOS,有时是Q1,有时Q2,不定。一般烧MOS和保险管,烧时电流可能不是太大,有较低沉的一响声。
跟大家找点对策。



