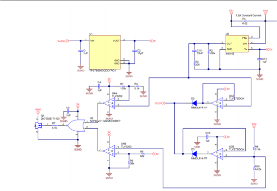
TI用LM5122设计了一款锂电池充电方案,其恒压部分的原理可以理解,但是恒流部分不是很理解
1、文档上说当输出电压较低时,CC电路开始工作,那如果在RS上的电流通过放大后的电压为2V那最后输出电压就稳定到2V,那此时显然是矛盾的,因为电池电压不可能是2V
This thread has been locked.
If you have a related question, please click the "Ask a related question" button in the top right corner. The newly created question will be automatically linked to this question.
TI用LM5122设计了一款锂电池充电方案,其恒压部分的原理可以理解,但是恒流部分不是很理解
1、文档上说当输出电压较低时,CC电路开始工作,那如果在RS上的电流通过放大后的电压为2V那最后输出电压就稳定到2V,那此时显然是矛盾的,因为电池电压不可能是2V
RS电流放大后稳定住,所以稳住的是RS上的折算回来的电流(非电压),所以为恒流。此时电压是不控的。
上下两个运放分别为恒流环和恒压环,两个环基本上不会同时起作用的(除非负载刚刚好在那个点上)。恒流环是在输出电压(电池电压)还没到设定值时起作用,相当于恒流快充,此时输出电压还低,下面恒压环的运放后面那个二极管是反向截止的,恒压环不起作用。等输出电压起来了,进入恒压浮充,就相反了,上面的恒流环就不起作用了。