AM5716: 处理器电平异常问题咨询

Part Number: AM5716


最近在使用AM5716AABCXA型号的处理器时遇到了几个问题,想咨询请教一下 。

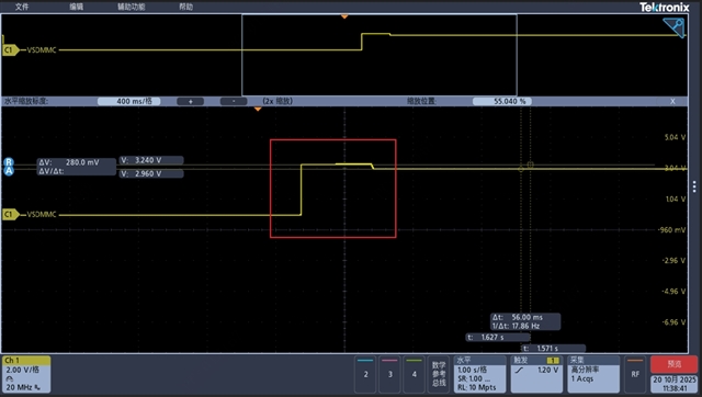
第一个问题:我在测试VSDMMC(也就是vddshv8,理论电压值为3.3 V)上电电压时发现,电压从0 V增加到3.3 V,之后电压又掉到3 V,这是什么原因导致的呢? 

第二个问题:处理器的V1端口输出作为以太网时钟信号(ETH_MDIO_CLK,理论电压值3.3 V),在测试以太网时钟信号上电电压时发现,电压从0 V增加到0.64 V,之后电压再增加到3.3 V,想问一下V1端口电压为什么中间会多一个0.64 V的电平呢?

第三个问题:处理器的W6端口输出作为SD卡时钟信号(MMC1_CLK),在测试SD卡时钟信号上电电压发现,电压从0 V增加到1.8 V,之后再增加到3.3 V,前者电平变化和VSDMMC同步,后者电平变化和底板3.3 V同步,想问一下后者电平变化为什么与底板3.3 V电压同步呢?