This thread has been locked.

If you have a related question, please click the "Ask a related question" button in the top right corner. The newly created question will be automatically linked to this question.

AM3352+DP83848J网络问题

Other Parts Discussed in Thread: DP83848J, AM3352

大家好,

我使用AM3352+DP83848J,在uboot下进行调试,主要修改了phy_addr=1,phy mode=RMII,pinmux以及配置phy为CONFIG_PHY_NATSEMI.

在使用ping命令,ping路由器时,提示

ARP Retry count exceeded; starting again

ping failed; host 192.168.0.1 is not alive

以下是我用mdio读出dp83848J的相关寄存器值:

BMCR=0x3100

BMSR=0x786d

PHYIDR1=0x2000

PHYIDR2=0x5c90

ANAR=0x1e1

ANLPAR=0x45e1

ANER=0x07

ANNPTR=0x2801

PHYSTS=0x2815

RBR=0x25

PHYCR=0x8021

PHYSTS这个寄存器,提示Receive Error Latch与False Carrier Sense Latch错误,麻烦帮忙分析一下什么原因.

我在网上找到一个贴子,也是类似这种错误,他说需要改一个电阻到68欧姆,这个一定是阻抗匹配造成的问题吗?还是可能别的原因?

e2e.ti.com/.../562265

我们对R43电阻进行调整,因没有68欧姆电阻,所以用了51欧的,测试现象一样.

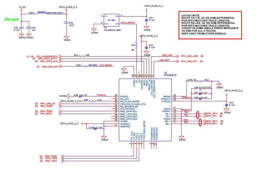
另附上网络部分的原理图,期待大家帮忙,谢谢!