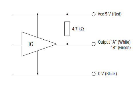
打算使用am4378的正交解码模块对接编码器的脉冲输出引脚。但是编码器输出电平高电压为5V,不知道am4378的引脚是否兼容。如果不兼容,该设计怎样的电平转换电路?编码器脉冲输出引脚内部结构如下:
This thread has been locked.
If you have a related question, please click the "Ask a related question" button in the top right corner. The newly created question will be automatically linked to this question.
打算使用am4378的正交解码模块对接编码器的脉冲输出引脚。但是编码器输出电平高电压为5V,不知道am4378的引脚是否兼容。如果不兼容,该设计怎样的电平转换电路?编码器脉冲输出引脚内部结构如下: