This thread has been locked.

If you have a related question, please click the "Ask a related question" button in the top right corner. The newly created question will be automatically linked to this question.

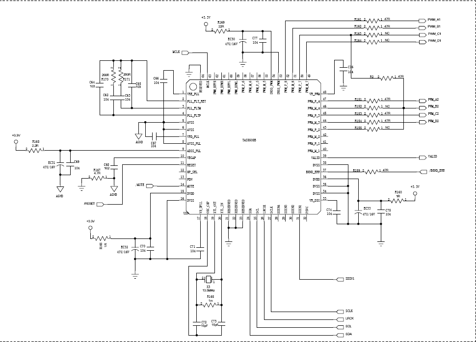
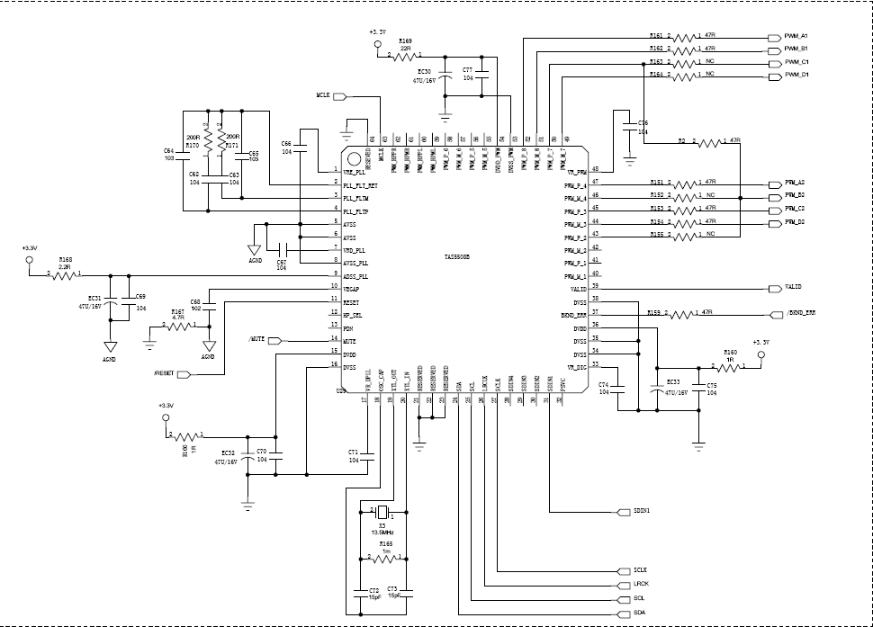
TAS5508C做EMC测试时在196MHZ与269.5MHZ的时候冒了两个尖

Other Parts Discussed in Thread: TAS5508C

您好!TAS5508C做EMC测试时在196MHZ与269.5MHZ的时候冒了两个尖,请问有办法解决么?