This thread has been locked.

If you have a related question, please click the "Ask a related question" button in the top right corner. The newly created question will be automatically linked to this question.

AM3352运行过程中会复位

Other Parts Discussed in Thread: AM3352

AM3352运行过程中会复位

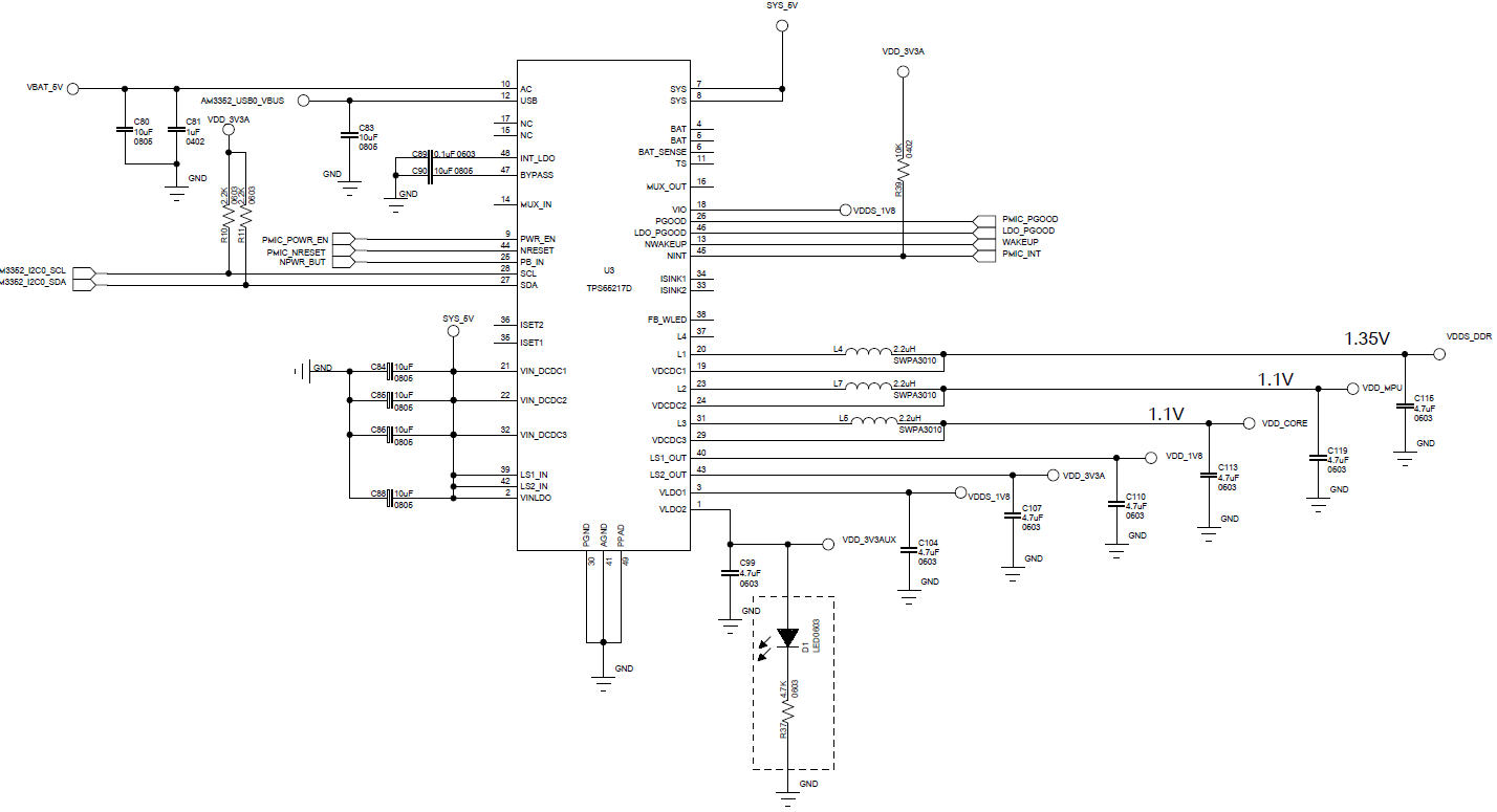
系统硬件情况:
AM3352ZCZA60+TPS65217C+DDR3L 256MB+NandFlash 256MB

复位时间不确定,有时在1~2个小时就会复位,有时运行12个小时才会复位;
不跑应用,仅仅跑官网移植的系统也是一样;

-20℃和+70℃ 分别也测试过,一样也是会复位的,应该排除了IC温度高保护的可能性;
复位时使用示波器看到电源管理IC输出会有1S的掉电情况,如下图

CH1:VSYS
CH2:LDO4 3.3V
CH3:DCDC1 1.5V
CH4:VAC

请各位帮忙看看是是什么原因