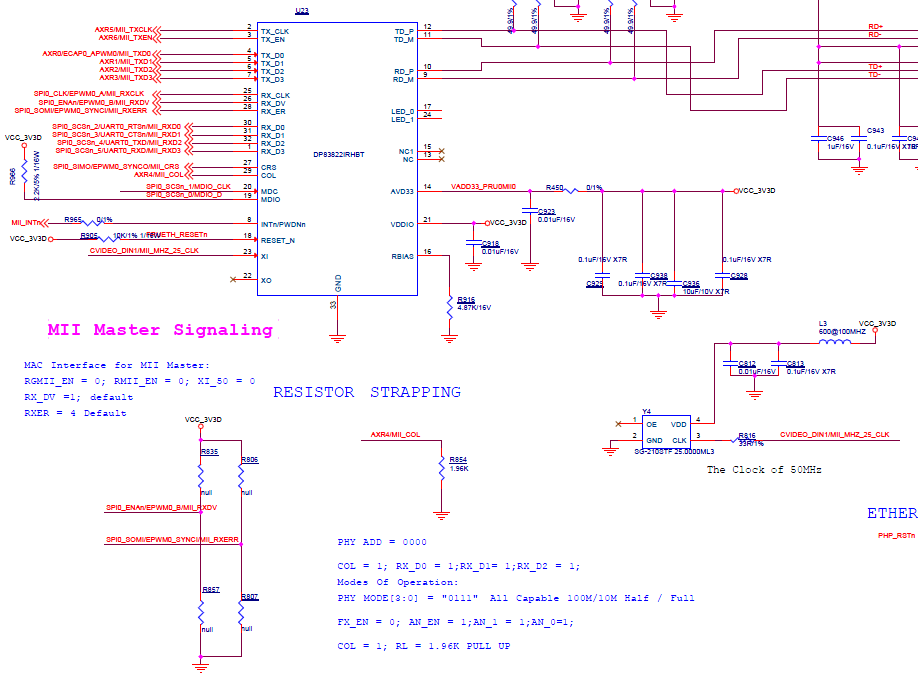
您好,设计C6748与DP83822的MII接口,调试发现网口不能通信?不焊C6748仅保留DP83822周围电路网口能通,不知道问题出在哪里?
看DP83822手册上Boostrap,设置成MII接口RX_DV和RX_ER设置成悬空模式?有啥问题,谢谢;
This thread has been locked.
If you have a related question, please click the "Ask a related question" button in the top right corner. The newly created question will be automatically linked to this question.
您好,设计C6748与DP83822的MII接口,调试发现网口不能通信?不焊C6748仅保留DP83822周围电路网口能通,不知道问题出在哪里?
看DP83822手册上Boostrap,设置成MII接口RX_DV和RX_ER设置成悬空模式?有啥问题,谢谢;