Other Parts Discussed in Thread: TFP410, TPD12S521
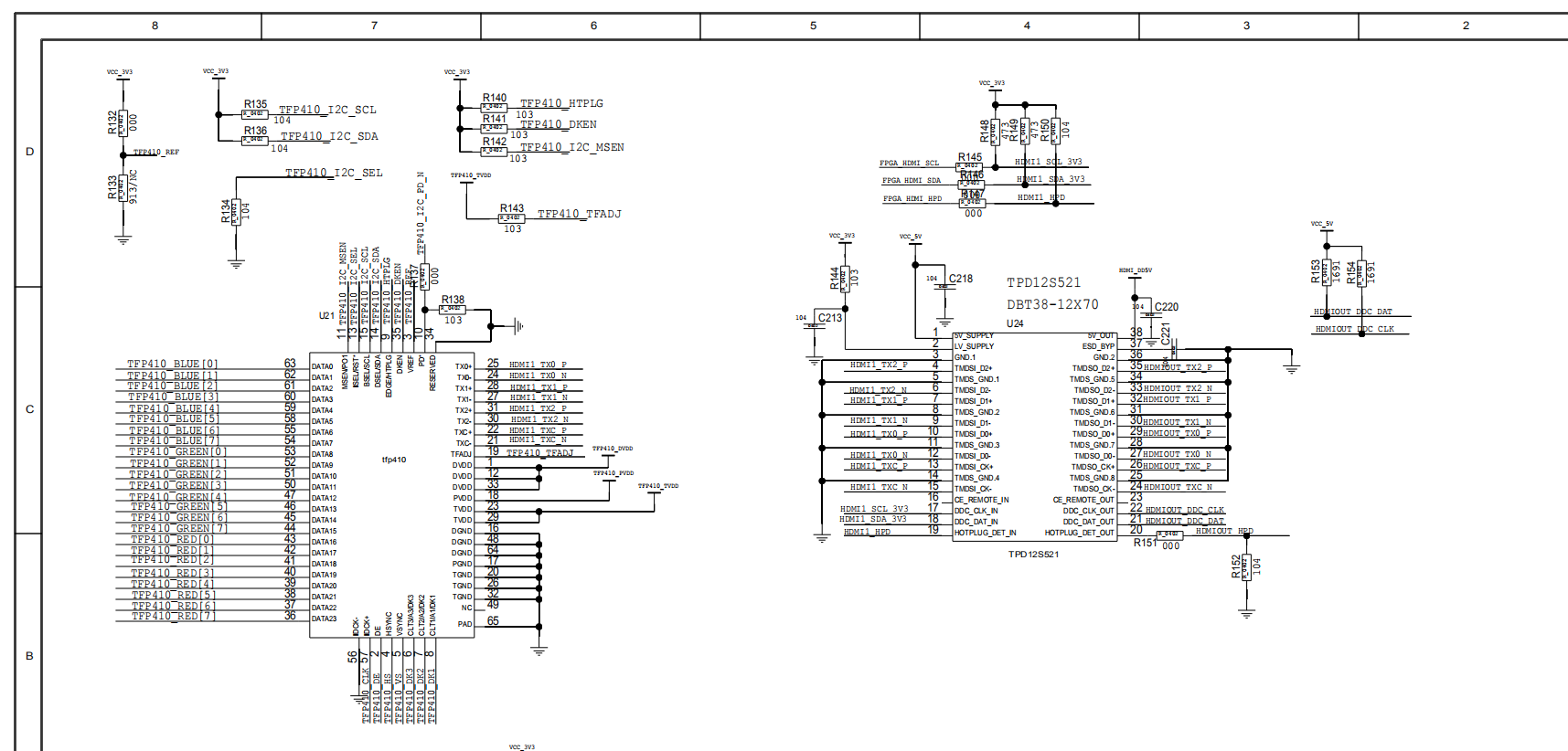
您好。我现在用的是HDMI 的插座,用TFP410+TPD12S521来输出信号。1080P@60hz在部分显示器有显示,但是在很多的HDMI显示器没有用。不知道怎么去做修改?原理图如下。硬件配置电路如下,求指教
This thread has been locked.
If you have a related question, please click the "Ask a related question" button in the top right corner. The newly created question will be automatically linked to this question.