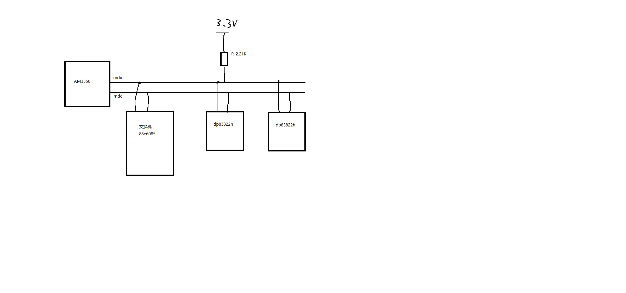
各位好,我在使用am3358开发,外接了交换机和phy,我的结构框图如下。现在遇到问题就是交换机里面的phy地址能够扫描得到,但是dp83822的phy地址扫描不到。排查了很多地方,现在不知道该怎么排查下去了,麻烦各位给点意见。
This thread has been locked.
If you have a related question, please click the "Ask a related question" button in the top right corner. The newly created question will be automatically linked to this question.