This thread has been locked.

If you have a related question, please click the "Ask a related question" button in the top right corner. The newly created question will be automatically linked to this question.

omapl138 RGB to VGA DAC输入为什么高低位重复

Other Parts Discussed in Thread: OMAP-L138, THS8135

工程师你好!

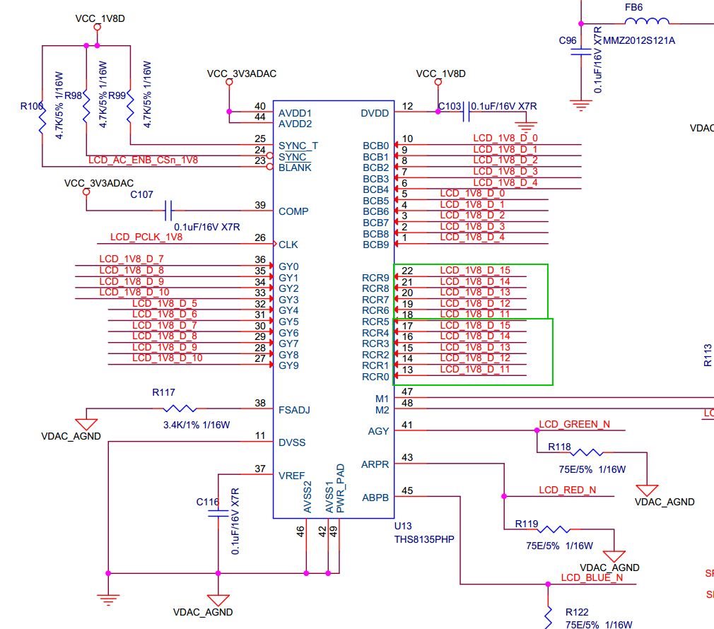
现在我们使用omap-l138 Development kit LCDK进行调试,关于VGA电路不是太明白:

输入给THS8135的数字信号为什么RGB每一组中的高低位是重复的?

谢谢!