你好,在我的自制板中使用了am3354与65910搭配的方案。
具体如下图,VBAT在断电情况下为3V-3.3V的纽扣电池CR2025提供,在通电情况下为65910的VAUX2提供。
现在该方案容易出现电池耗电过快的问题,所以想请问一下使用65910的RTC功能,1、VBAT的最小电压应该为多少,2、正常工作时提供到Vbackup的电流多大。3、cr2025容量为150mAh,一般情况下这种应该能计时多久。
This thread has been locked.
If you have a related question, please click the "Ask a related question" button in the top right corner. The newly created question will be automatically linked to this question.
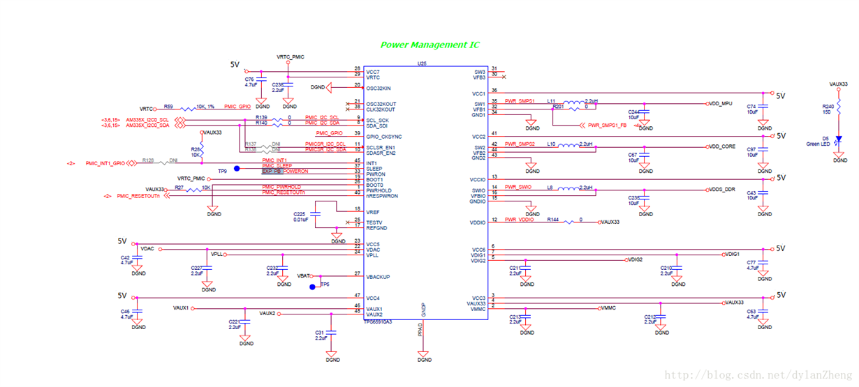
你好,在我的自制板中使用了am3354与65910搭配的方案。
具体如下图,VBAT在断电情况下为3V-3.3V的纽扣电池CR2025提供,在通电情况下为65910的VAUX2提供。
现在该方案容易出现电池耗电过快的问题,所以想请问一下使用65910的RTC功能,1、VBAT的最小电压应该为多少,2、正常工作时提供到Vbackup的电流多大。3、cr2025容量为150mAh,一般情况下这种应该能计时多久。