Other Parts Discussed in Thread: TFP410
我问下,用tfp410作dvi输出,不用I2c配置。
是不是只需要控制DE,HSYNC,VSYNC,IDCK-,IDCK+,data[23:0] 这些引脚就可以了,
比如我输出800*600@60Hz的图像,就输入40Mhz时钟,按照下图的时序:
控住DE,HSYNC,VSYNC 信号,输出到tfp410就可以了?还需要其他什么配置吗?
This thread has been locked.
If you have a related question, please click the "Ask a related question" button in the top right corner. The newly created question will be automatically linked to this question.
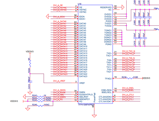
我问下,用tfp410作dvi输出,不用I2c配置。
是不是只需要控制DE,HSYNC,VSYNC,IDCK-,IDCK+,data[23:0] 这些引脚就可以了,
比如我输出800*600@60Hz的图像,就输入40Mhz时钟,按照下图的时序:
控住DE,HSYNC,VSYNC 信号,输出到tfp410就可以了?还需要其他什么配置吗?