Other Parts Discussed in Thread: PGA460
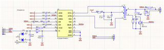
请问我要使用OGA460进行OWU通信,程序该怎么改呢?下面是我的电路
This thread has been locked.
If you have a related question, please click the "Ask a related question" button in the top right corner. The newly created question will be automatically linked to this question.
同样的哈,关于PGA460的问题,我这边还是会在https://e2echina.ti.com/support/sensors/f/sensors-forum/212385/pga460-q1-owu 回复并跟进。
您有什么问题,可以直接在上述链接中跟进,并且我也附上了E2E的链接,您可以及时查看美国工程师的回复。