你好
我閱讀了IWR1642章節"Signal Descriptions-Analog"的資料如下

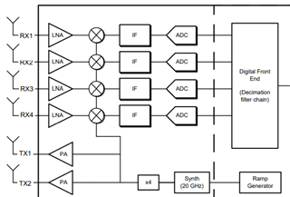
請問Table 4-5中的Analog Test 1~4/ADC1~4指的是下圖中

ADC之前還是ADC之後的訊號?
謝謝
This thread has been locked.
If you have a related question, please click the "Ask a related question" button in the top right corner. The newly created question will be automatically linked to this question.
你好
我閱讀了IWR1642章節"Signal Descriptions-Analog"的資料如下

請問Table 4-5中的Analog Test 1~4/ADC1~4指的是下圖中

ADC之前還是ADC之後的訊號?
謝謝
这些管脚指的是用于监控器件中外部/内部信号的 GPADC 管脚。
有关这方面的更多详细信息,请参阅器件数据手册中的第 6.4.1 节。