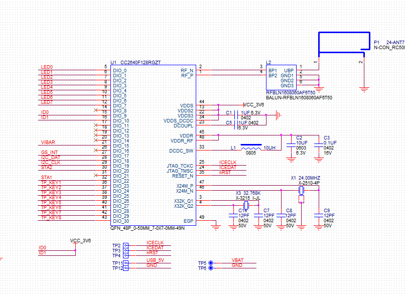
我们批量的2640发现部分DCDC异常,用示波器抓波形,发现DCDC_SW没有输出。去掉10uH电感L1后,发现上电瞬间C2有1.67V,DCDC_SW有波形,大约几十毫秒后,电压和波形都消失,
M0初始化失败,此时外加1.6V电源给C2,程序恢复正常,DCDC_SW波形也正常了。再把L1焊上,去掉外加电源,芯片依然正常,但是重新上电故障依旧。请帮忙分析,内部LDO和DCDC是如何切换的
这种故障如何解决?
This thread has been locked.
If you have a related question, please click the "Ask a related question" button in the top right corner. The newly created question will be automatically linked to this question.
你好,我想取消DCDC,使用LDO,可是按照文档配置 ,
我们修改了配置文件
#define SET_CCFG_MODE_CONF_DCDC_RECHARGE 0x0 改为#define SET_CCFG_MODE_CONF_DCDC_RECHARGE 0x1
#define SET_CCFG_MODE_CONF_DCDC_ACTIVE 0x0 改为#define SET_CCFG_MODE_CONF_DCDC_ACTIVE 0x1
也尝试了
#define SET_CCFG_SIZE_AND_DIS_FLAGS_DIS_ALT_DCDC_SETTING 0x0 改为#define SET_CCFG_SIZE_AND_DIS_FLAGS_DIS_ALT_DCDC_SETTING 0x1
也组合了上面3个变量,均改动无效果;
请问可能是什么原因
user6522046 说:也尝试了
#define SET_CCFG_SIZE_AND_DIS_FLAGS_DIS_ALT_DCDC_SETTING 0x0 改为#define SET_CCFG_SIZE_AND_DIS_FLAGS_DIS_ALT_DCDC_SETTING 0x1
这个不用改
硬件上也要改一下,将DCDC_SW 悬空,不要接东西,两个VDDR连在一起,接10uF,VDDS也接一个10uF
具体看11.3节www.ti.com/.../swra640e.pdf
电压1.67V是DCDC转化后的电压值,感觉DCDC没有关掉,检查配置是否正确,
修改CCFG后重新烧录
#ifndef SET_CCFG_MODE_CONF_DCDC_RECHARGE // #define SET_CCFG_MODE_CONF_DCDC_RECHARGE 0x0 // Use the DC/DC during recharge in powerdown #define SET_CCFG_MODE_CONF_DCDC_RECHARGE 0x1 // Do not use the DC/DC during recharge in powerdown #endif #ifndef SET_CCFG_MODE_CONF_DCDC_ACTIVE // #define SET_CCFG_MODE_CONF_DCDC_ACTIVE 0x0 // Use the DC/DC during active mode #define SET_CCFG_MODE_CONF_DCDC_ACTIVE 0x1 // Do not use the DC/DC during active mode #endif