This thread has been locked.

If you have a related question, please click the "Ask a related question" button in the top right corner. The newly created question will be automatically linked to this question.

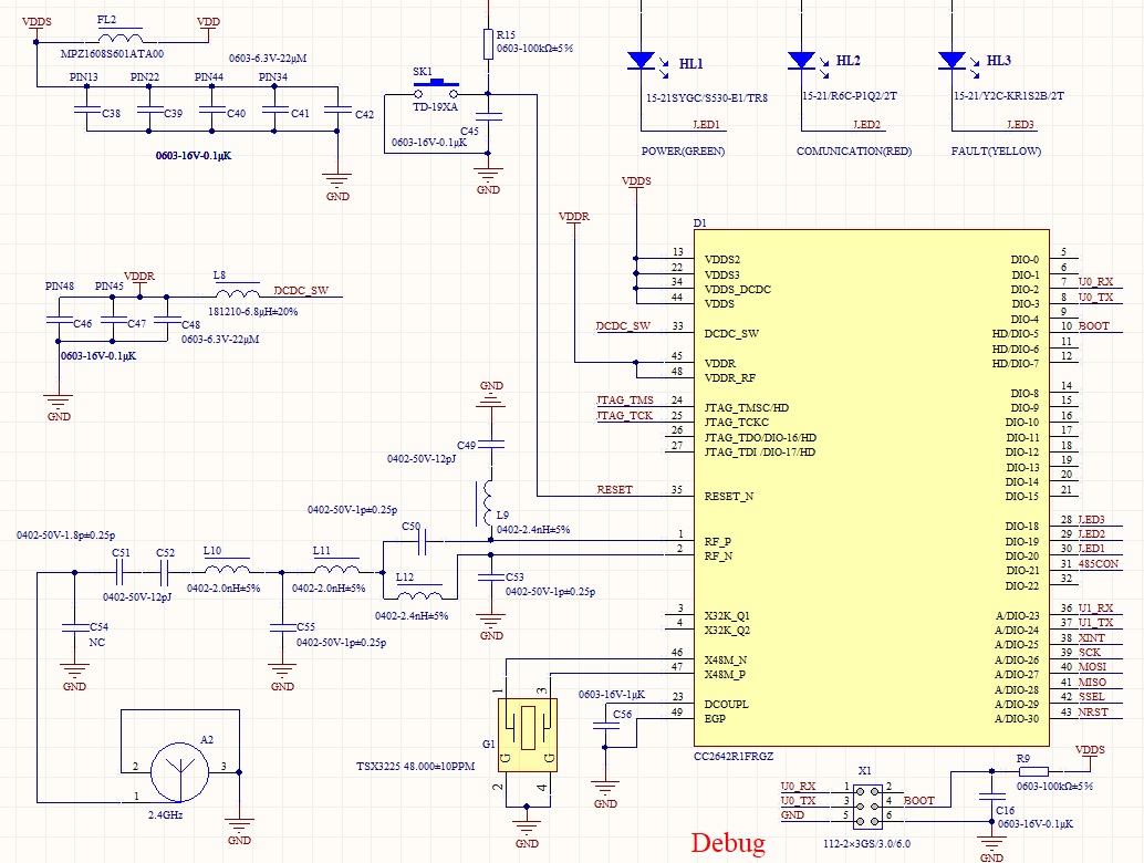
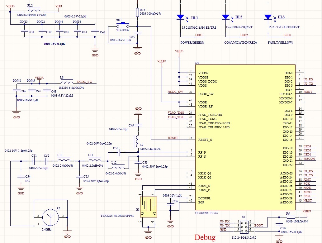
与CC2642 蓝牙通讯相关的关键器件参数



1、请问电路图里哪些器件参数的精度和蓝牙通讯相关?

2、在相关器件参数的范围内是否能保证蓝牙通讯正常?

3、要想得出是否能正常通讯的结论,是通过公式可以推算出来,还是要选择参数上限和下限的关键器件进行实验验证?