This thread has been locked.

If you have a related question, please click the "Ask a related question" button in the top right corner. The newly created question will be automatically linked to this question.

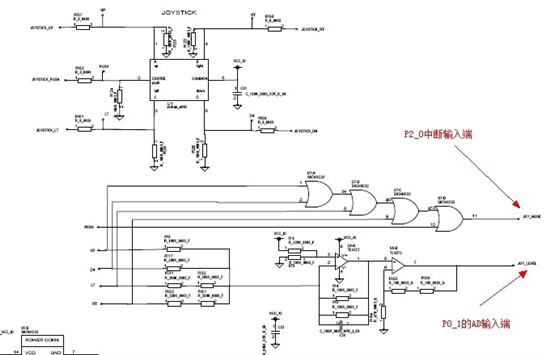
TI蓝牙开发板的五向键工作原理



最近准备做一块带五和向键的板,想参照TI的来做,如下图,我可不可以理解为,当我按下某键就会触发P2.0的中断,在P2.0的中断程序中调用AD读取程序来识别某个按键被按下了,然后打包给应用层来处理,