This thread has been locked.

If you have a related question, please click the "Ask a related question" button in the top right corner. The newly created question will be automatically linked to this question.

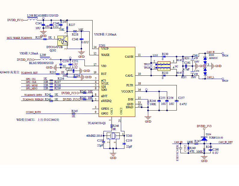
CC2642R: Review schematic diagram

Part Number: CC2642R


HI TEAMS:

Review schematic diagram