你好,ti的员工:
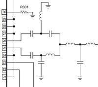
天线网络中电阻为0R,有两个电容为dnm,意思是不挂载,如果我要添加这两个电容,应该是什么数值好呢,我使用的是AN9520的天线,发现信号不是很好,求教一下。谢谢
This thread has been locked.
If you have a related question, please click the "Ask a related question" button in the top right corner. The newly created question will be automatically linked to this question.
你好,ti的员工:
天线网络中电阻为0R,有两个电容为dnm,意思是不挂载,如果我要添加这两个电容,应该是什么数值好呢,我使用的是AN9520的天线,发现信号不是很好,求教一下。谢谢
你好,我看你用的是巴伦滤波器,这个滤波器2450bm15a0002在cc2530上用过,不用加TT型滤波就可用。请参考
http://wenku.baidu.com/link?url=-mwA5Wx-2j4bDlG80XDKTh_I7T_7urLJgkM4-ptOhTp4Yk48atxNMGhWdLvHWxqkiJAxezRI41ZHjN_l3C9N9U9dzKjXaDCtPLlGUt_v4Fa
另外你可以参考sensortag的参考设计,用的天线前端是LFB182G45BG2D280(村田),可以直接参考。
waiting,
这个要从阻抗谈起了。要码的字太多了。。。。。
TI的参考设计里面的测试点就是50ohm的测试面。如果你的天线在2.4G是50ohm的,就不用匹配了。如果不是,就要调。
具体用多少的问题没办法回答,这个电路的目的就是在这个地方给调成50ohm(向天线方向看)。
BR. Albin