Part Number: CC2642R
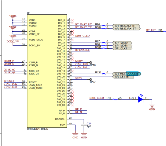
使用串口连接下图的TX,RX,可以接收到数据,这些数据是存在哪里的,是有一块专门的空间用来存这些数据吗,有相关说明吗

This thread has been locked.
If you have a related question, please click the "Ask a related question" button in the top right corner. The newly created question will be automatically linked to this question.
您好,
串口接收数据有几种处理方式,其中中断方式、DMA 方式、查询方式和 FIFO 方式是嵌入式系统常用的串口数据接收方式。
可以看下这个链接:http://news.eeworld.com.cn/mcu/ic639363.html
您重点看看技术参考手册的 21 章节,看完后您就明白 UART 外设整个的数据流向和存储的缓冲器:
