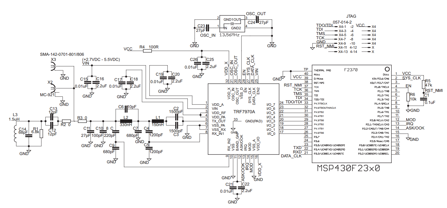
你们好,近期在RFID项目中遇到一些疑问。是关于识别距离,当前电路在发射功率为200mW时的距离是13cm左右,但是领导要求要达到更远的距离(30cm)。于是我想在发射管脚(TX_OUT)处加入一个功率放大器。请问,可以这样做吗?如果能顺利加入功率放大器,接收管脚(RX_IN1和RX_IN2)处的电路是否应该设计在功率放大器之后。
This thread has been locked.
If you have a related question, please click the "Ask a related question" button in the top right corner. The newly created question will be automatically linked to this question.
你们好,近期在RFID项目中遇到一些疑问。是关于识别距离,当前电路在发射功率为200mW时的距离是13cm左右,但是领导要求要达到更远的距离(30cm)。于是我想在发射管脚(TX_OUT)处加入一个功率放大器。请问,可以这样做吗?如果能顺利加入功率放大器,接收管脚(RX_IN1和RX_IN2)处的电路是否应该设计在功率放大器之后。
看一下这篇文章,介绍了TRF7970外部功率放大器。
https://e2e.ti.com/cfs-file/__key/communityserver-discussions-components-files/667/TRF7970-Exernal-Power-Amplifier-for-general-applications_5F00_V53_2800_1_2900_.pdf