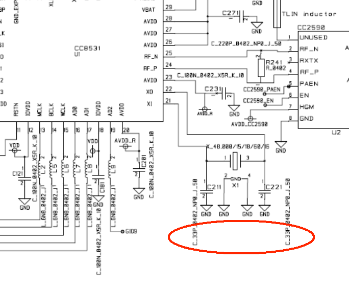
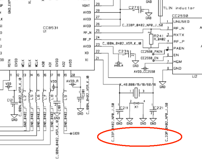
CC85XXdatasheet上面是写的16pF,为什么demo板CC85XXDK-HEADSET User’s Guide原理图上用的是33pF,难道这是随便可以改的吗原谅我的无知,如下图
This thread has been locked.
If you have a related question, please click the "Ask a related question" button in the top right corner. The newly created question will be automatically linked to this question.
一般单片机的晶振工作于并联谐振状态,也可以理解为谐振电容的一部分。它是根据晶振厂家提供的晶振要求负载电容选值的,换句话说,晶振的频率就是在它提供的负载电容下测得的,能最大限度的保证频率值的误差。这个不是随便选的,可以进行相应的微调,有时候影响不大,建议参考厂家提供的值。