This thread has been locked.

If you have a related question, please click the "Ask a related question" button in the top right corner. The newly created question will be automatically linked to this question.

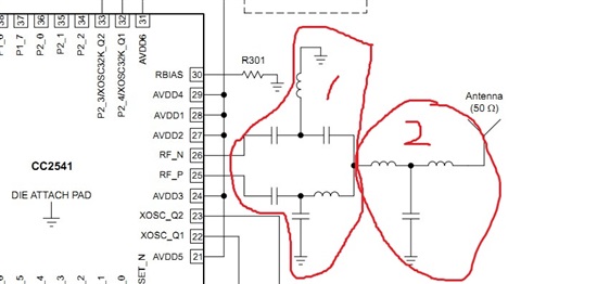
cc25XX射频电路部分的指导



请问:(1)数字1中圈中的留个分立器件是不会完成平衡到不平衡的转换的,转换之后是50欧姆吗?

   (2)数字2中电路什么作用啊?

  • CC25xx芯片 RF_P与 RF_N管脚是一对差分输入输出信号,若所使用的天线是不平衡单极子天线,须使用巴伦匹配电路来进行射频收发信号的匹配。匹配电路的设计可采用匹配芯片也可先采用分立电容和电感元件来实现。

    图1实现了差分信号转单端(即 平 衡 不 平 衡 转 换)的 功 能,图2的 T型匹配电路实现与天线阻抗匹配功能.


  • T型匹配电路实现与天线阻抗匹配,可是T型匹配之后的阻抗不是50欧姆呢?

    这个怎么仿真呢?请教一下射频电路的仿真问题?因为这个后面接的是50欧姆的天线,T匹配是是匹配到50欧姆的。。