

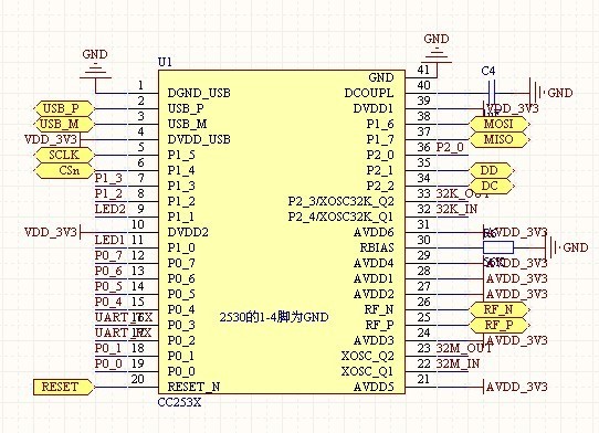
上图原理图请问有问题吗?
目前目标板上仅焊接了cc2531芯片和R1 R4 C2 晶振没有焊接,电源部分正常供电,但是仿真器无法连接目标板,smartrf studio提示no chip
仿真器使用的是smartrf04eb fireware revision = 0043
请问这是哪里出了问题
This thread has been locked.
If you have a related question, please click the "Ask a related question" button in the top right corner. The newly created question will be automatically linked to this question.


上图原理图请问有问题吗?
目前目标板上仅焊接了cc2531芯片和R1 R4 C2 晶振没有焊接,电源部分正常供电,但是仿真器无法连接目标板,smartrf studio提示no chip
仿真器使用的是smartrf04eb fireware revision = 0043
请问这是哪里出了问题