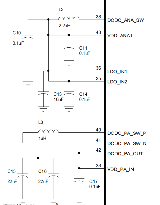
看了资料,不太理解这个switing node 是什么意思。有人知道可以帮吗解释一下吗?谢谢!
This thread has been locked.
If you have a related question, please click the "Ask a related question" button in the top right corner. The newly created question will be automatically linked to this question.
看了资料,不太理解这个switing node 是什么意思。有人知道可以帮吗解释一下吗?谢谢!
Dekira,
可以百度一下DCDC的原理。
在DCDC的电路里面,电感和电容在芯片外面,你就明白了,那个脚为什么叫开关脚。
BR.AZ
呵呵,此开关信号非on/off。
看看这个http://wenku.baidu.com/view/46629b23482fb4daa58d4b3d.html?re=view
BR. AZ