This thread has been locked.

If you have a related question, please click the "Ask a related question" button in the top right corner. The newly created question will be automatically linked to this question.

LMX2541(Frequency Synthesizer)如何驱动TRF370333(Quadrature Modulator)

Other Parts Discussed in Thread: LMX2541, TRF370333

使用这两款芯片主要是为了实现较大频带内的RF输出,因此没有选用TRF3761。纠结在LMX2541如何驱动TRF370333,请教诸位该如何解决,如有参考资料万分感谢~

LMX2541 框图如下

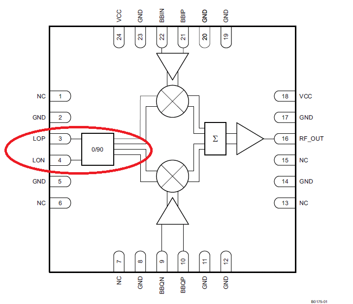
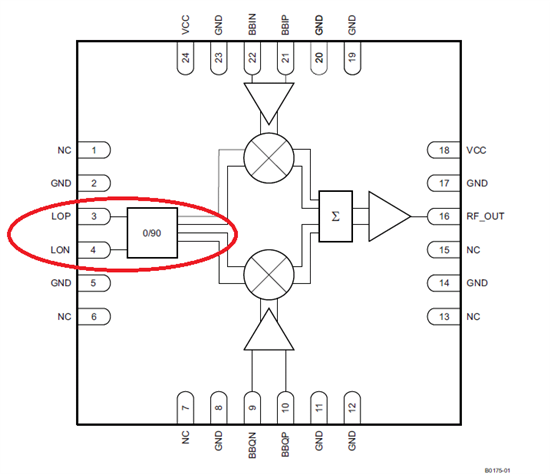
TRF370333