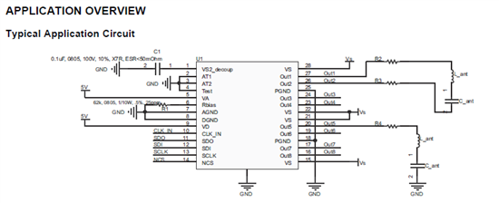
hi,专家好!关于TPIC84134的天线驱动电阻怎样选型呢,按照DATASHEET所说单路输出可达1.3A,那电阻R2,R3电容C怎样选择呢?谢谢!
This thread has been locked.
If you have a related question, please click the "Ask a related question" button in the top right corner. The newly created question will be automatically linked to this question.
hi,专家好!关于TPIC84134的天线驱动电阻怎样选型呢,按照DATASHEET所说单路输出可达1.3A,那电阻R2,R3电容C怎样选择呢?谢谢!