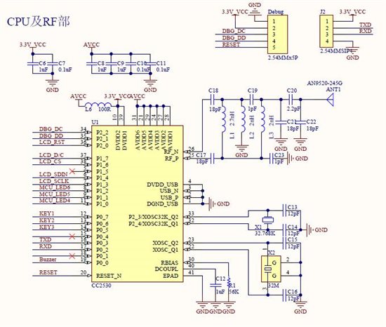
CC2530 无法识别CC DEBUGGER?? 为什么我做的板子 最小系统都无法识别CC DEBUGGER? 电路也没什么问题 没有短路 VCC也正常,对比了一下好用的 DC DD脚电平不同 好用的是高电平 我这个不知道为什么上电后是低电平!
麻烦帮分析一下?急用!
This thread has been locked.
If you have a related question, please click the "Ask a related question" button in the top right corner. The newly created question will be automatically linked to this question.
CC2530 无法识别CC DEBUGGER?? 为什么我做的板子 最小系统都无法识别CC DEBUGGER? 电路也没什么问题 没有短路 VCC也正常,对比了一下好用的 DC DD脚电平不同 好用的是高电平 我这个不知道为什么上电后是低电平!
麻烦帮分析一下?急用!