This thread has been locked.

If you have a related question, please click the "Ask a related question" button in the top right corner. The newly created question will be automatically linked to this question.

想问个CC2630硬件设计的问题!

Other Parts Discussed in Thread: CC2650, CC2592, CC2630

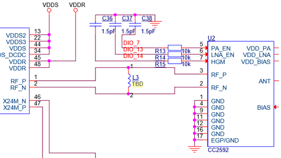
1. 这个是CC2650+CC2592的官网下载的原理图,我现在需要使用CC2630+CC2592,想问问L3的典型值需要设置多大

2. 常规的SMA 3DB天线C24 典型值是多少!配PCB天线时C15典型值是多少?

3. 我在选择CC2630+CC2592时。3腿的接发是不是还是需要像数据手册中的这种接法。

  • 1、一般L3是不需要的,RF_P/RF_N走线尽量最短,底下不能有电源线

    2、C24应该和C27是一样的,都是18pf,C15一般不需要

    3、建议严格按照参考设计接线来,如果你对相应的软件配置部分不熟悉的话