This thread has been locked.

If you have a related question, please click the "Ask a related question" button in the top right corner. The newly created question will be automatically linked to this question.

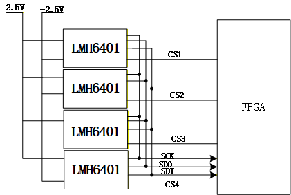
LMH6401EVM: LMH6401 无法读取寄存器内容

Part Number: LMH6401EVM
Other Parts Discussed in Thread: LMH6401

Hi team:

    在我们设计中将4片LMH6401 的SCK/SDO/SDI分别连在了一起,只有片选CS单独连至FPGA,目前LMH6401供电为±2.5V,FPGA端口2.5V。目前出现一个问题我们可以正常设置LMH6401的增益(通过仪器测量),但我们无法读出6401寄存器的值,请问是SDO引脚不能连在一起吗?还是其它什么原因