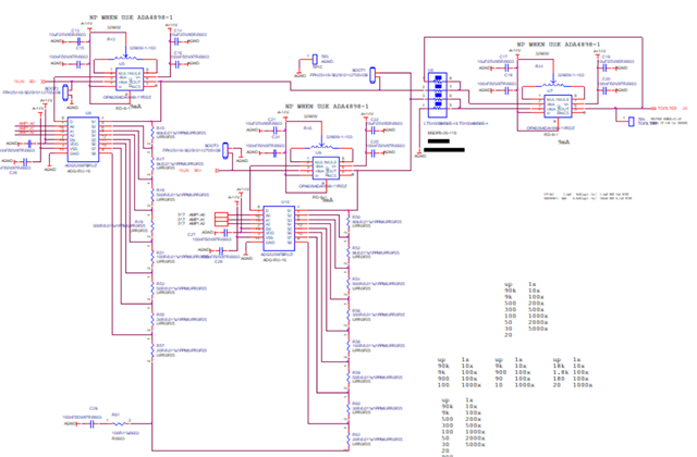
我用3个OPA828搭建的仪表放大器,在测量共模抑制比时发现100mv量程/放大100倍时有过荷现象,输出幅值超过100mV。我是用耐压仪输出正接3个OPA828组成的仪表放大器的输入正负两端,耐压仪的地接采集仪的机壳。我基于OPA828设计的采集仪。放大100倍,量程100mV,用20Mhz的SAR型ADC采集,即使耐压仪输出0V,也会有输出超过10000mV的现象,折合到输入后就是超过100mV,有些点超出,其出现频率大约50Hz,放大1000倍时更会过荷(折合到输入端超出10mV)。而同样的板卡电路换成ADA4898-1就不会有过荷现象,包括100倍、1000倍、5000倍放大,都不过荷。如果有过荷现象,测量的CMRR值还算有效吗?请帮我分析下原因及给出解决办法。
这是1000倍放大时的采样数据,部分数据过荷了
这是10倍放大时的采样数据,没有过荷