Part Number: TLV3601EVM
Other Parts Discussed in Thread: TLV3601,
Hi TI的專家們
[Q1]:
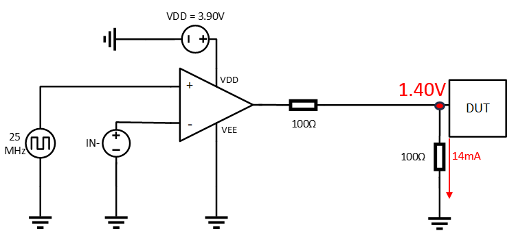
TLV3601 EVM User's Guide中提到R8電阻建議值為1kΩ, 與示波器的50Ω結合得到一個1:21的分壓, 目的是為了不要讓電流太大。但這個配置不符合我們實際應用情境, 因為量到的clock訊號太小。

我的應用需求是要產生一個clock swing=0V~1.4V給DUT,
而DUT接收端有一個100Ω對地電阻 (此時最大電流大概也只有14mA)
這樣的設定並沒有超過TLV3601 spec規範的30mA, 請問此設計是否可行??


[Q2]:
如果我們應用上沒有遲滯(Hysteresis)的需求, 這個R6電阻是不是可以直接不上件(NC)? 謝謝

