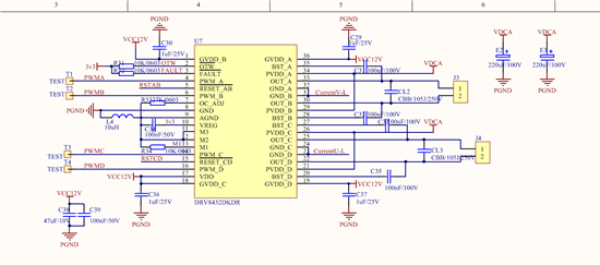
为什么DRV8432用一段时间会烧坏,而且输出的波形有毛刺



    测试的时候是直接用信号发生器给的波形,当接入12V电压时,输入的波形没问题;但把24V母线电压打开时,输入的波形就会有毛刺(输入和输出是一样的)。问题最大的就是接了一段时间之后芯片发热,一测芯片输入端的电压只有6V了,但输入的12V是正常的。之后一接上芯片就发热,芯片的12V电压也只6V,估计芯片烧了。