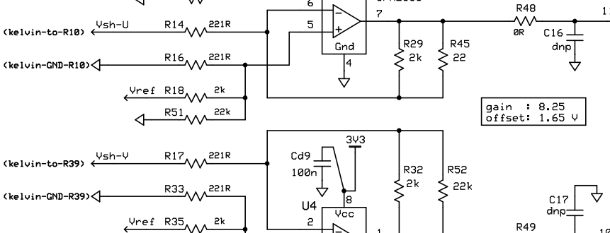
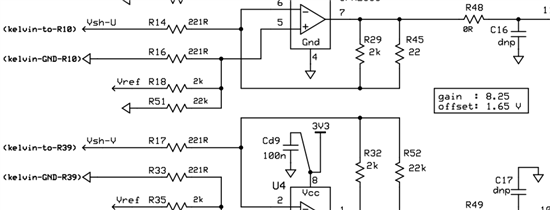
HVMotorCtrl+PFC-SCH中运放放大倍数跟自己算的有差异,求指导



这个运放电路中,我算出的增益是(22K//2K)/221 = 8.2956259426847662141779788838612

而图中给出的参考是8.25,实在想不通哪里算错了,采样电阻是0.02R,就算加上pcb导线电阻,算出的放大倍数也与8.25差很大