E2E™ 设计支持
搜索
用户
站点
搜索
用户
E2E™ 中文设计支持 >
论坛
放大器
API 解答
音频
时钟和计时
数据转换器
DLP® 产品
接口
隔离
逻辑
微控制器
电机驱动器
处理器
电源管理
射频与微波
传感器
站点支持
开关与多路复用器
工具
无线连接
参考译文
存档组
存档论坛
技术文章
模拟
汽车
DLP® 技术
嵌入式处理
工业
电源管理
TI 培训
快速入门
English
更多
取消
存档论坛
其它模拟产品 (Read-Only)
论坛
提及
子组
标记
更多
Cancel
提出相关问题
什么是相关问题?
相关问题是指与本问题有关联性的问题,”相关问题“ 被创建后,会自动链接到当前的原始问题。
提出新问题
提出新问题
Cancel
状态
TI Thinks Resolved
回复
5 回复
答案
3 答案
订户
10 订户
视图
3976 视图
用户
0 会员在此处
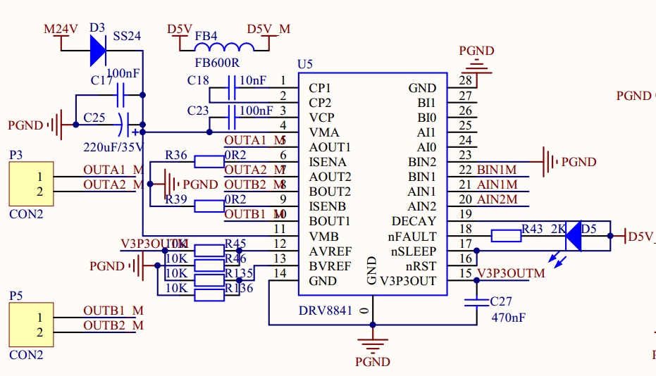
DRV8841
选项
标记
更多
取消
选项
共享
更多
取消
相关
DRV8841驱动直流电机非常容易出现FAULT
user4824204
Prodigy
40
points
原理图上D3改为直连,R36,R39改为0,AVERF直连V3P3OUT, 直流电机实际电流为200MA,仍然出现FAULT,需要重新上电才正常
7 年多前
0
Alvin Zheng
7 年多前
TI__Genius
13080
points
如果要重新上电才能清除,一般就是OCP。你电机绕组内阻有多大?R36/39=0就是完全没有定电流控制,启动或者堵转电流非常大。
取消
向上
0
True
向下
取消
0
user4824204
7 年多前
回复
Alvin Zheng
Prodigy
40
points
没堵死,只是一个带减速箱的普通电机。打算换个电机试试
取消
向上
0
True
向下
取消
0
user4824204
7 年多前
回复
Alvin Zheng
Prodigy
40
points
跟C23没并1M电阻有关吗
取消
向上
0
True
向下
取消
0
Alvin Zheng
7 年多前
回复
user4824204
TI__Genius
13080
points
建议把R36/39接上,可以抑制启动和堵转大电流,正常工作。
取消
向上
0
True
向下
取消
0
Alvin Zheng
7 年多前
回复
user4824204
TI__Genius
13080
points
没有关系。
取消
向上
0
True
向下
取消