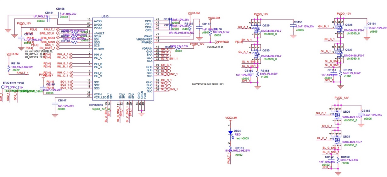
使用DRV8305搭建了一个无刷电机驱动,使用SPI配置6PWM模式后,无论INHx输入高低,H端gate driver始终输出高电平:INHx低--GH_x 10V;INHx高--GH_x 21V(PVDD=11V)。
测试了一下几块样板都是同样问题。请问是否有什么地方配置不当或者硬件设计上有问题。
1.pdf
都测量过没有短路,同批样板都同样的问题,测试的时候没接电机。
但是,在3PWM模式下,INHx--低 GHx--低,INHx--高 GHx--高(21V)
寄存器配置全都读出来对比了,没有问题。 所有引脚又确认了一遍,主要就是泵电压datasheet没有明确,不知是否异常,实测:CPH1H-10V,CPH2H-16V,VCPH-21V。(PVDD-11V) 请问泵电压是否异常?是否与gate driver异常关联?