各位好:
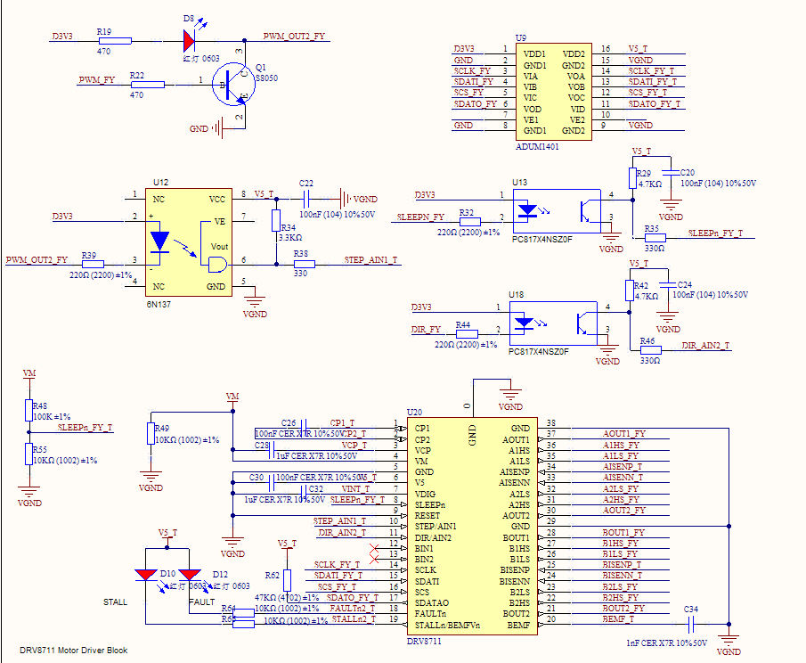
检流电阻为0.01欧,驱动电压24V ,mos管CSD18531,驱动电机运行一段时间之后就开始报错BOCP和UVLO错误,清除标志位还是一样。还望指点下从哪个方向找问题。
各位好:
检流电阻为0.01欧,驱动电压24V ,mos管CSD18531,驱动电机运行一段时间之后就开始报错BOCP和UVLO错误,清除标志位还是一样。还望指点下从哪个方向找问题。
为更加有效地解决您的问题,我们建议您将问题发布在E2E英文技术论坛上https://e2e.ti.com/support/motor-drivers/f/38,将由资深的工程师为您提供帮助。我们的E2E英文社区有TI专家进行回复,并得到全球各地工程师的支持,分享他们的知识和经验。