关于AWR1642 ADC的基础问题

Other Parts Discussed in Thread: AWR1642

TI工程师  你好,我刚接触AWR1642,想问一下:

1、SDK user guide下,文件中说R4F和DSP支持CBUFF,其中支持的数据帧有ADC, ADC_CP, CP_ADC, CP_ADC_CQ,请问这几种帧有什么区别?

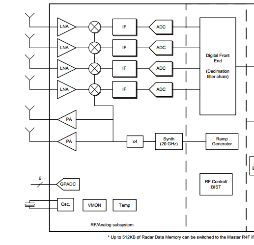
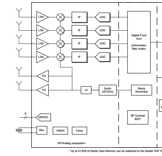
2、图二中左下角有6个通道的GPADC,图中上部分有4个ADC,我想问下GPADC和ADC有什么区别,是一个吗?(因为我看到datasheet中说的是只有6个ADC),我理解的是上面ADC是采集雷达中频信号数据(没有外置接口,是内部的,可能理解的有问题),下面的6个GPADC是对外的6个端口的通用ADC,可以采集外部引入的电压。

那我们怎么才能配置采集雷达反射回来的中频信号,有具体的驱动程序吗?我看到sdk包中的驱动adc和cbuff中的adc都是采集通用GPADC样,而且也是测试用例,我现在就是想采集雷达反射回来的信号,不知道我理解是不是有问题,麻烦帮忙解释下,谢谢