DRV8711的样板连续烧坏了两个芯片

Other Parts Discussed in Thread: DRV8711

第二次做样板了,调试好了一个能正常;另外一个板小电流能运行(1A), 外接电机是4A的,当我把电流设置为4A时,开始运行不到1秒电源24V 2.5A的直接过流保护了,断电测量样板的电源两端电阻为2R了,拆掉芯片换一个正常;小电流继续能运行,电流再次调大,再次烧了!

芯片有过热过流保护,不知是什么原因导致直接烧掉?

请问导致DRV8711的可能性会有哪些情况?

  • 请问您在烧录IC时使用的寄存器设置是什么?如有可能,能否提供电路板的layout/schematic?
  • 寄存器设置如下:

    DrvRegister[Ch][REG_CTRL] = 0x0D10; //ISGAIN = 10
    DrvRegister[Ch][REG_TORQUE] = 0x01C3;
    DrvRegister[Ch][REG_OFF] = 0x000b;
    DrvRegister[Ch][REG_BLANK] = 0x0031;
    DrvRegister[Ch][REG_DEVAY] = 0x030b;
    DrvRegister[Ch][REG_STALL] = 0x0A02;
    DrvRegister[Ch][REG_DRIVE] = 0x0A58;

    另外一个项目也是按这个配置做的外接4.2A的57电机,已正常使用100个左右;

    目前也是按之前的来修改重做一个板,焊了两个样品,

    一个目前正常,但有时出现PDF(pre-driver)误报错,在检查原点,

    另外一个样板就是烧坏了一片DRV8711,小电流正常运行,调大后直接烧掉,连续换两片,外围电路也就几个电容;不芯片是什么原因导致

  • 与寄存器设置有关的一个原因是,TOFF始终设置为5µs,而DECMODE始终设置为强制缓慢衰减。电流可能没有足够的时间适当衰减,并且电流不断上升超过4A。根据Risense电阻值的不同,可能会违反ISENSEx引脚的绝对最大电压,并导致IC损坏。

    请问您是否可以将TOFF至少增加到15µs并将DECMODE设置为101(自动混合衰减)。然后从1A电流开始,然后逐渐将电流由0.5A一直增加到4A,并拍摄电流截图?
  • DrvRegister[Ch][REG_DEVAY] = 0x030b; 

    DECMODE应该为混合衰减模式,不是强制缓慢衰减模式吧,

    “根据Risense电阻值的不同,可能会违反ISENSEx引脚的绝对最大电压,并导致IC损坏。”这个我不太理解是什么意思,目前我用电阻为0.05欧的功率电阻;

    你的说将TOFF调至15uS和自动混合衰减速我试一下,将TOFF调高了运行转速是否不能太高?

  • DECMODE应该为混合衰减模式,不是强制缓慢衰减模式吧

    您是正确的,它是混合衰减模式。

     

    将TOFF调高了运行转速是否不能太高?

    是的,这样做应该没有问题。

     

    请问您正在使用的FET的RDS(on)是多少?这样我可以计算出触发OCP故障之前可以流经FET的最大电流。

  • VDS
    ID (at VGS=10V) 28A
    RDS(ON) (at VGS=10V) < 35mΩ
    RDS(ON) (at VGS = 7V) < 42mΩ

  • 重制PCB板回来再制作1片,芯片不烧但是PDF故障还是B通道,电机运行几秒后会自动保护起来,读取STATUS寄存器的值为0x010为BPDF Channel B predriver fault

    驱动回路有多打几个过孔,BxLS输出电阻原来为0R改为100R有改善,但偶尔也还会出错!

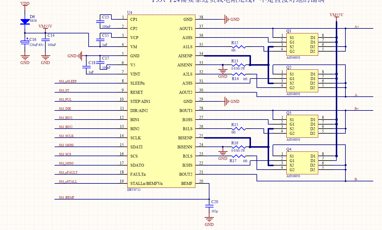
    看论坛上的资料修改DRIVE这个寄存器的参数可改善,请问这个寄存器要如何配置,目前我用的MOS管为AON6850,负载电阻为0.05R,驱动小于5A以下的步进电机

  • 为更加有效地解决您的问题,我们建议您将问题发布一个新帖在E2E英文技术论坛上https://e2e.ti.com/support/motor-drivers/f/38,将由美国的产品工程师为您提供进一步帮助。另外,由于现在是圣诞和新年假期,回复会有所延误, 敬请谅解。