DRV8301 驱动波形的一些奇怪问题

Other Parts Discussed in Thread: DRV8301

我在调试DRV8301的时候遇到一个比较奇怪的问题,就是进入DRV8301的PWM驱动波形很好,但是经过放大的输出波形有些畸变,有时候甚至不正常。

附件是一个PWM输入(紫色)与输出(绿色)的对比波形,可以看出输出波形已经有些畸变了,没有找出啥原因。

另外一个问题就是在MOS小电流的时候输出PWM波形正常,但MOS电流加大一些的时候 会出现PWM输出波形偶尔出现不正常的波形,示波器的波形图片我搞没了,所以手画一下示意,如下:

         其中黑色为进8301前的PWM一个波形,棕色为经8301放大后的PWM输出波形。

后面附上原图图,请各路大侠指点,谢谢!

 

  • 你说的畸变是指绿色的波形上部呈现“凸”字式样吗?如果是,这样的话其实没有问题。因为死区时间内看到的电压会是VM+0.7V左右,而驱动段的电压是VM+15V左右。

    另外一个图看起来像是预驱动的出现的异常的保护情况,最好还是有实际的波形图。

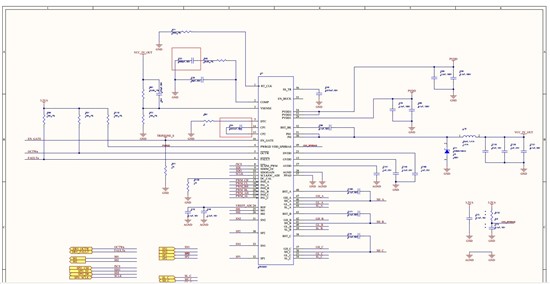
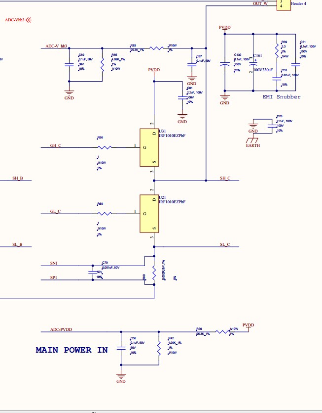
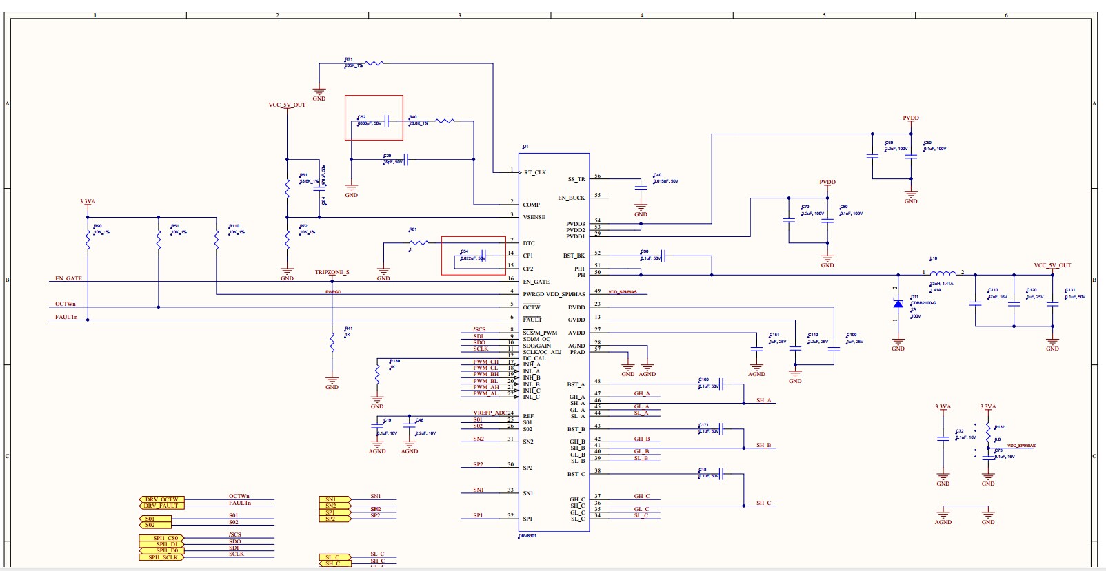
    电流大时是有多大,MOSFET的型号是什么?MOSFET端的原理图有吗?

  •  

     

    先谢谢你的回答,下面是MOS的原理图,因为原理图过大,全部截图看不清楚,所以只截了其中一部分,电流约在0.6A的时候开始出现问题。

    我开始怀疑也是异常保护了,但是无从下手。

    因为输入波形是正常的,异常保护应该是8301内的保护了,但这种保护应该可能会发生在哪几个地方呢?

     

     

  • 亲;前半部是正常开关,后半部反弹;是小电流下寄生RLC感应。是在窄脉冲时发生的正常波形。