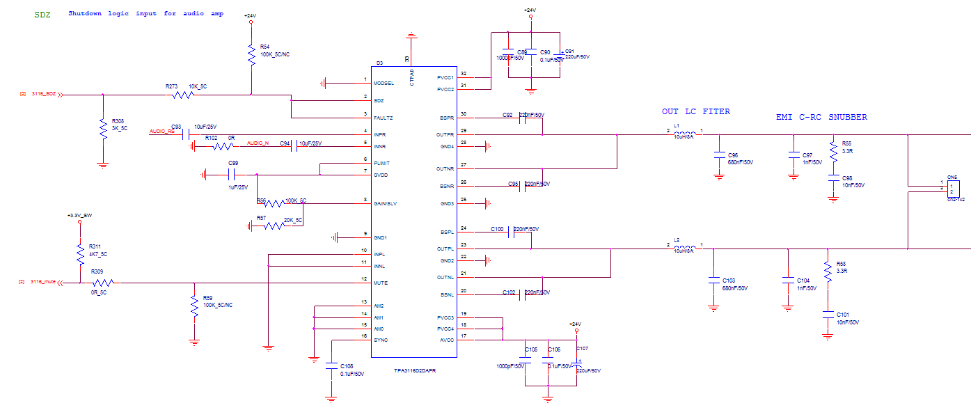
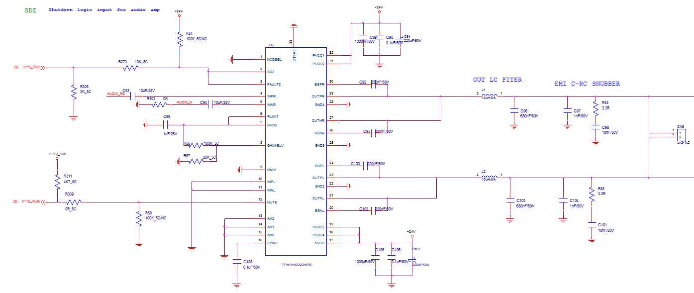
请问一下,TPA3116在使用PBTL模式,阻抗2欧姆,功耗100w时,THD+N和频响能做到多少?
This thread has been locked.
If you have a related question, please click the "Ask a related question" button in the top right corner. The newly created question will be automatically linked to this question.