This thread has been locked.

If you have a related question, please click the "Ask a related question" button in the top right corner. The newly created question will be automatically linked to this question.

PCM6340-Q1: MIC接法

Part Number: PCM6340-Q1

Hi all:

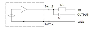
 请教一下PCM6340 MIC的接法。  我采用 普通的驻极体mic , 采用右图这种单端AC耦合方式接入。MICBIAS电压为5V。

但是录不到声音。  我用电脑的耳机输出接在这个AC耦合单端接口是可以听到声音的,证明电路没有问题。  那么我是不是MIC用法不对呢。  正常MIC的MICBIAS 电压应该接在MIC端,上图接在电容端。这个我不理解,是不是这个问题引起的?

下图是  mic规格书给的接法

  • 补充一下,我调整了PCM6340的输入增益。调的很高也没有用。

  • 您好, 接在靠近输入端,是为了给输入提供偏置电压,如果接在mic端,那么经过AC耦合电容之后,偏置电压就被隔离掉了。所以接在AC耦合电容后面,给到输入端的信号提供偏置电压。 

  • 那MIC就没有偏置电压供电了。 我是不是要自己再做一个给MIC供电的电源VBIAS?

    另外,这个给输入提供偏置电压目的是什么,这个电压可以通过寄存器调节的。 那我应该设置为多少。 我觉得我还是不理解这个偏置电压。

  • 这个引脚是偏置电压输出引脚,不需要外部供电。就像有些芯片有参考电压一样,分压电路已经集成在芯片内部,这个引脚是输出电压。

    MICBIAS 是可以通过寄存器0X03B 的MBIAS_VAL[3:0]配置,从5V~9V,步阶电压为0.5V。 

    为什么要设置这个电压,比如PCM6340的输入电压范围为正值,但是输入信号有负压,那么我们可以通过这个偏置电压将输入信号抬高,比如5V或者其他电压,从而保证能够满足PCM6340的输入电压范围。否则负半轴的信号是无法处理的。