This thread has been locked.

If you have a related question, please click the "Ask a related question" button in the top right corner. The newly created question will be automatically linked to this question.

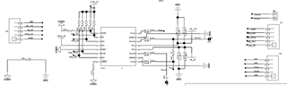
PGA2311: The SPI cannot communicate properly

Part Number: PGA2311


The development board of STM32F103 is used to control PGA2311, but the normal SPI communication cannot be carried out at present. Is it caused by the mismatch between the SPI level of MCU and that of PGA2311? I have shown the schematic diagram below, hoping you can help me to solve the problem.。