This thread has been locked.

If you have a related question, please click the "Ask a related question" button in the top right corner. The newly created question will be automatically linked to this question.

TLV320AIC20: 音频AIC20 输出端串联电阻的作用

Part Number: TLV320AIC20

请问这个line out 输出串联300欧姆的电阻作用是什么?如果我不接,输出的波形会有其它波形载波在里面。加上300欧姆电阻后,现象消失。

同理,这个芯片在HDSO HNSO 输出也需要添加,但是手册并没有告知,我是看到LINE OUT 有增加有,就参考,请问电阻如何计算呢?

  • 您好,

    line out 驱动能力是600Ω差分负载的能力,您是否外接的负载太重的原因导致输出异常?您外接的负载是多少?

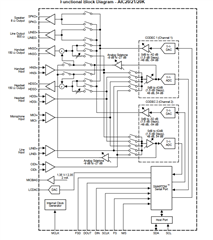
    TLV320AIC20各输出接口驱动能力如下datasheet 截图:

  • 您好,我是在不接负载条件下测试输出差分波形的。我尝试把LINE out 的 300欧姆串联电阻拿掉,换0欧姆的电阻,发现输出是不正常的

    所以请问您这边,输出是否要接负载电阻才可以?大小需要是推荐的负载电阻大小,

  • 增加一个图形,来解释我的问题,就是如果只是接上负载电阻,输出不正常,需要串联300欧姆的电阻后才正常,看起来和负载关系不大
    红色部分的电阻是debug 加上的,这里简单做示意图

  • 输出端走线是否比较长呢?因为模拟输出容性负载驱动能力最大20pF,如果输出端走线比较长会有比较大的寄生容性负载,输出运放没有这么大的容性负载驱动能力输出就会不稳定而振荡。如果走线比较长,建议您尽量缩短走线,再测试输出端波形怎样?