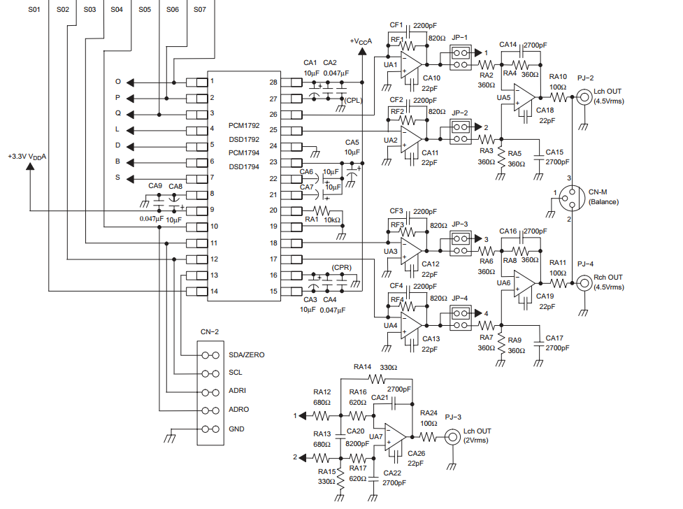
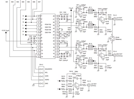
请问PCM1792A在输出时,过采样时钟给24.576M,输出刷新率为192kHz时,过采样倍数为32,BCK是将过采样时钟2分频,在做FFT变换后在噪底上会出现很多毛刺是怎么回事,这直接影响了动态范围;之前我用系统时钟为12.288MHz时,输出刷新率也是设为192kHz,过采样倍数为32,BCK是过采样时钟,但是当时两个通道出现不同步的情况后来看到手册15页中的table1 ,故将过采样时钟提高一倍,以保证128fs,然后将BCK分频以保证周期大于70nS,不过在没有提升频率之前躁底并没有出现毛刺,只是在我将BCK减小到小于70ns的情况下出现了躁底上有毛刺的情况,现在频率提升以后同步问题解决了,但是在各个过采样周期范围内都出现了噪底上有毛刺的情况,我观察了BCK的时钟和之前一样是76ns,保证了大于70ns。具体FFT见附件,我想问的就是如何将这些毛刺去掉,因为在提升频率之前128倍过采样条件下动态范围可以做到113db,现在三个过采样结果一样,都是108db,谢谢!

