This thread has been locked.

If you have a related question, please click the "Ask a related question" button in the top right corner. The newly created question will be automatically linked to this question.

TAS6424E-Q1: register setting of output phase control

Part Number: TAS6424E-Q1

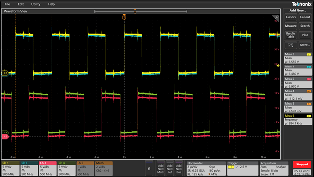
Hello, when we set to "101", we found the current consumption increase(300mA) compare to the default setting, and TAS6424E itself become very hot, what's the reason? thanks!