This thread has been locked.

If you have a related question, please click the "Ask a related question" button in the top right corner. The newly created question will be automatically linked to this question.

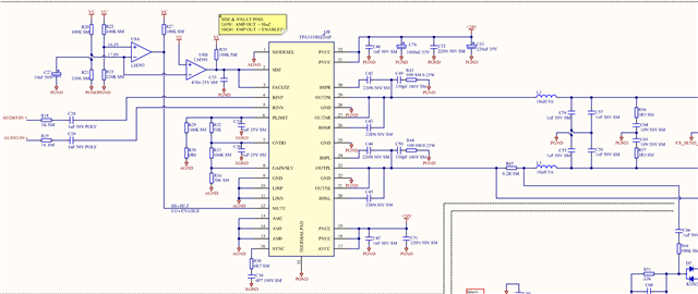
TPA3118D2: The chip crashes after power-on in some uint

Part Number: TPA3118D2


Hi TI engineer:

      Our products have a small number of boot crashes in the process of customer use . But it didn't happen during production and testing, and more than 2,000 units of the product have been produced .

       Here are some of our relevant parameters :

  1. power supplier:+24V Adapter 
  2. load:8 ohm
  3. VC is from 24V,Series a diode and ground 100uF capacitor 

      question:

  1. the SDZ :What is the minimum time delay required for SDZ to be enabled during the power-on process?
  2. RINP/RINN:  At the moment of power-on, there will be a pulse signal of about +12V in the signal input. Will this pulse signal cause input overload? So the chip crashes and burns? 
  3. if the SDZ always high, when power on ,Will the chip crash?

  • 您好,这里是中文论坛,我们可以直接中文沟通。

    the SDZ :What is the minimum time delay required for SDZ to be enabled during the power-on process?

    datasheet中没有给出具体的上电时序要求,通常来说,SDZ保持为低,直到电压起来稳定之后再将SDZ拉高。从上电开始到上电完成,SDZ拉低应该要ms级的时间。

    RINP/RINN:  At the moment of power-on, there will be a pulse signal of about +12V in the signal input. Will this pulse signal cause input overload? So the chip crashes and burns? 

    上电开始,最好保证输出高阻态,不建议给输入信号。 就像上述所说,直到电压起来完全稳定之后再将SDZ拉高,然后再给输入信号。

    上电还没完全完成的话,供电还处于欠压状态。

    if the SDZ always high, when power on ,Will the chip crash?

    SDZ一直为high,也就是TPA3118D2 一直处于使能输出,要保证上电期间输出一直高阻态,如果SDZ一直为high,很有可能是上电导致芯片损坏的原因。

    我的建议是按照我上面说的上电时序,再验证下,通过您目前的描述,我认为芯片上电损坏不排除这个原因。