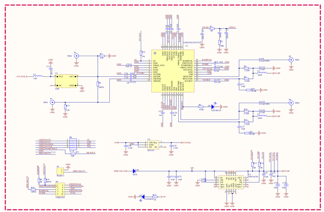
我通过TICSPRO配置ramp工作在8-8.5GHz频段,但是在扫频过程中总是会出现7.25GHz左右出的频率分量,如图是我的配置,原理图和测量结果



This thread has been locked.
If you have a related question, please click the "Ask a related question" button in the top right corner. The newly created question will be automatically linked to this question.